

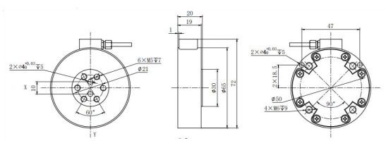
                ●It can be used for force detection of the wrist of humanoid robots
●Adopting the high-precision resistance strain gauge principle
●High-speed sampling digital communication (external)
●High precision and strong anti-eccentric load capability                   
                   

| Signal | RS485 | sampling frequency | 1000HZ | 
| Nonlinear | ±0.5%F.S | Temperature Effect On Zero | ±0.1%F.S/10℃ | 
| Inter axis coupling | ±2%F.S | Temperature Effect On Output | ±0.1%F.S/10℃ | 
| repeatability | ±0.1%F.S | Operating temperature range | -10~+40℃ | 
| creep | ±0.1%F.S | Safe Overload | 150%F.S | 
| Sealing grade | IP64 | Ultimate Overload | 200%F.S | 
| material | stainless steel | Recommended excitation voltage | 9~30V DC | 
| insulation resistance | ≥5000MΩ | FLEXIBLE CABLE | 3m | 


 
        
          +86 189 2129 2620
+86 189 2129 2620 sales@bwsensing.com
sales@bwsensing.com