

                ●High-performance 
● Interface support: TTL
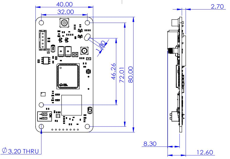
● Main board size: L40*W80*H12.6 (mm)
● Power supply voltage: 5V DC
● Operating temperature: -40°C to+70°C
●RTK accuracy: Plane 0.8cm + 1ppm ;
Elevation 1.5cm + 1ppm;
●PPP accuracy:Plane 25cm                   
                   
| Electrical Index | ||
| Parameter | Details | |
| Power voltage(V) | 5V DC | |
| Working Current (mA) | 30mA (40mA max) | |
| Operating Temperature (℃) | -40℃~+70℃ | |
| Storage Temperature (℃) | -55℃~+100℃ | |
| Performance Index | ||
| Category | Sub - item/Description | Specification | 
| RTK | Plane | 0.8cm + 1ppm | 
| Elevation | 1.5cm + 1ppm | |
| ppp | Plane | 25cm | 
| Elevation | 25cm | |
| Convergence time | 15 - 25min | |
| First positioning time | cold start | <30s | 
| warm start | <15s | |
| Maximum data rate | GNSS raw observations | 20HZ | 
| GNSS RTK positioning | 20HZ | |
| GNSS/INS solving | 200HZ | |
| IMU raw data rate | 200HZ | |
| Positioning information output | 1HZ | |
| Orientation accuracy | 1σ | ±0.5° | 
| 0.6m baseline | ||
| 2σ | ±1° | 

 
        
          +86 189 2129 2620
+86 189 2129 2620 sales@bwsensing.com
sales@bwsensing.com